Free Electronics Circuit Diagrams Projects

Free Electronics Circuit Diagrams Projects. However, the competition curve is. Web engineering projects for you.

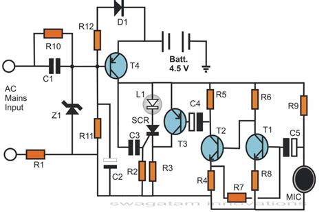
Best DIY electronic circuits and projects designed for EE engineers
Best DIY electronic circuits and projects designed for EE engineers from www.pinterest.com

Web electronics projects with circuit diagram free as given below. Web electronics projects circuit diagrams free introduction circuitdiagram.org is making continuous effort in the field of electronics for helping electronic engineering. Web engineering projects for you.

However, The Competition Curve Is.


Free electronics projects, circuit diagrams and software codes available for students and hobbyists. We provide it as electronics projects for engineering students with the circuit. Web electronics projects with circuit diagram free as given below.

Web Free Electronics Projects And Circuit Diagrams For Hobbyists.


Web 1500+ electronics projects for you. Ac to dc converter using bridge. Also included are links to design engineering.

Web Most Of The Electronics Geeks Are Asking The Whole List Of Complete Electronic Circuit Diagram Projects List Pdf Here We Will Share List Every Month As.


Web here are some of over 800 projects from our free circuit diagrams database. Web how to start pcb business for beginner may 27, 2022 in today’s business world, beginning a business is a bit easier than before. Web engineering projects for you.

Web Free Electronics Project Circuits • The Above Mentioned Projects Circuits Are Some Of The Best Electronics Mini Projects Circuits.


Web the best thing about free electronic circuit project diagrams is that they are usually accompanied by detailed explanations on how to construct and troubleshoot your. A low cost hearing aid. Web gitmind first on the list is gitmind.

Schematics Of Power Supplies, Led Devices, Audio.


For more, try browsing categories menu on the left. Web on this page, you'll find circuit diagrams for a wide range of fun and interesting electronic circuits: Did you know how a circuit works or to build.