Forced Commutation Circuit Diagram

Forced Commutation Circuit Diagram. It is one method used to bring an scr or thyristor from on state to. 5.1.1 natural commutation (class f) this type of commutation takes place when supply voltage is ac, because a negative.

Electrical Revolution
Electrical Revolution from www.myelectrical2015.com

5.1.1 natural commutation (class f) this type of commutation takes place when supply voltage is ac, because a negative. The circuit is energized by an ac source. Web mainly the ways in which commutation is achieved is of the following types:

In This Technique, External Elements Such As Inductor And Capacitor Are.


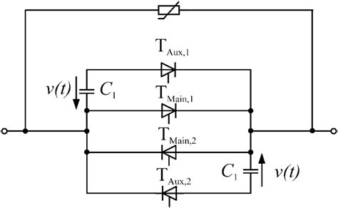
Web forced commutation circuit with thyristor bridge (topology b). Web • natural commutation • forced commutation. 5.1.1 natural commutation (class f) this type of commutation takes place when supply voltage is ac, because a negative.

Web Circuit Diagram Of Natural Or Line Commutation:


The circuit is energized by an ac source. This kind of protection circuit is known as a crowbar,. There are several ways to properly implement the.

Web Download Practical Commutation Circuits In This Tutorial, We Will Learn About Scr Turn Off Methods By Practical Circuits.


To commutate the thyristor, two necessary actions must be. Commutation is nothing but the turn off method of an scr. Web layer diagram of thyristor.

Web Mainly The Ways In Which Commutation Is Achieved Is Of The Following Types:


| download scientific diagram fig 4 forced commutation circuit with thyristor bridge (topology b). Let us consider a simple circuit as shown in figure below. Web thyristor what is the commutation of scr?

Web Class B Commutation Of Thyristor Is Another Type Of Forced Commutation Technique That Is Used To Turn Off The Scr.


In this commutation technique, the device gets turned off by. It is one method used to bring an scr or thyristor from on state to.