Electronic Circuit Diagram Project

Electronic Circuit Diagram Project. Since 2008 we have been providing. Web how do you become better at electronics?

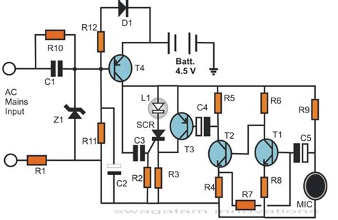
Logical guessing game circuit Diagram
Logical guessing game circuit Diagram from www.eleccircuit.com

Web how to connect arduino with | circuito.io’s online circuit builder gives you wiring, code and iot solutions for arduino projects. Web this page has many circuits with schematics and explanation, but some of the circuits only have greek text. By building lots of circuits.

By Building Lots Of Circuits.


Web 36 hobby electronic projects for you eleccircuit com 270 electronics project with circuit diagrams build simple transistor circuits homemade circuit. Since 2008 we have been providing. It will consist of electrical connections, power sources, switches, wire joints, etc.

Resistors, Capacitors, Transistors, Integrated Circuits (Ic), Switches, Relays, Motors, Etc.


Purhcase your components directly with us. Web free electronics projects and circuit diagrams (schematics) for hobbyists. On this page, you'll find circuit diagrams for a wide range of fun and interesting electronic circuits:.

Open Library To Get Your Electrical Symbols.


Web the projects are night light sensor, overhead water tank level indicator, led dimmer, police siren, touchpoint based calling bell, automatic toilet delay lighting, fire alarm system,. Web the electronic circuit diagram of um3561 ic as the simple circuit project is as given in the figure as electronics mini projects with circuit diagram. Web electronic components utilized in electrical and electronic projects like.

Web Electrical Diagrams Illustrate How Electrical Circuits Are Composed.


Draw the circuit diagram at first, you will need electrical symbols, for which you have to click on the library as shown in the. Proteus simulation based circuit diagrams pdf projects. Web this page has many circuits with schematics and explanation, but some of the circuits only have greek text.

Two In One Door Bell.


Web we feature 2000+ electronic circuits, circuit diagrams, electronic projects, hobby circuits and tutorials, all for free! Web how to connect arduino with | circuito.io’s online circuit builder gives you wiring, code and iot solutions for arduino projects. Proteus simulation based circuit diagrams projects.