Egg Timer Circuit Diagram

Egg Timer Circuit Diagram. Web components required circuit diagram 1 minute timer circuit: Timer electronic circuit countdown schematic diagram design angle.

LCD Egg Timer
LCD Egg Timer from www.moty22.co.uk

Time span is 99 minutes. Web egg timer—provides an automatic egg timer. Web hi, my name is thamil, and i need to hand in a paper on an egg timer circuit by next week.

Web How To Make An Incubator Timer Optimizer Circuit Homemade Projects.


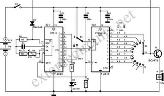
Web the circuit of the proposed incubator egg timer and optimizer is given below: Web components required circuit diagram 1 minute timer circuit: Included c code and circuit diagram.

Time Span Is 99 Minutes.


Web egg timer—provides an automatic egg timer. Click on the run button to simulate the circuit. Web count down timer based on pic16f628a and oled display module.

The Name Comes From The First Timers Initially Being Used For The Timing Of.


I need to design a test circuit that will illuminate an. An egg timer we would like to design chegg com. How to build 24 hours timer circuit with ic.

Web The Circuit Of The Proposed Incubator Egg Timer And Optimizer Is Given Below:p1 Should Be Adjusted For The Long 8 Hour Duration And P2 For The Short 3 Seconds.


Design and prototyping of a low cost energy efficient eggs incubator in developing countries case study cameroon sciencedirect. So i opted for a 'hard wired' version using particular. Web most egg timers use a rotational variable resistor, which can be difficult to get the time you want unless you guesstimate it.

Timer Electronic Circuit Countdown Schematic Diagram Design Angle.


Web an egg timer or kitchen timer is a device whose primary function is to assist in timing during cooking; Web simple egg timer circuit. Web hi, my name is thamil, and i need to hand in a paper on an egg timer circuit by next week.